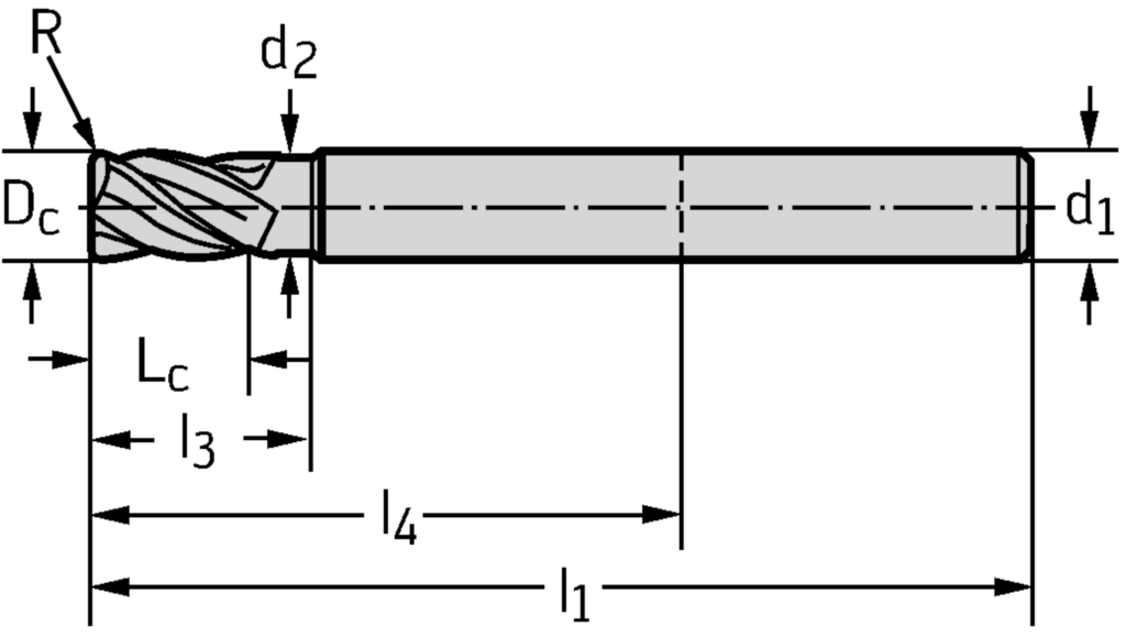
Spezifikationen
|
Halsdurchmesser d2 (mm) |
7,6 |
|
Schneidendurchmesser Dc (mm) |
8 |
|
Gesamtlänge l 1 (mm) |
67 |
|
Schneidenlänge L c (mm) |
7 |
|
Nutzbare Länge l 3 (mm) |
19 |
|
Schaftdurchmesser d 1 (mm) |
8 |
|
Funktionale Länge l 4 (mm) |
31 |
|
Schneidendurchmesser D c (mm) |
8 |
|
Eckenradius r (mm) |
1 |
|
Zähnezahl Z |
4 |
|
Halsdurchmesser d 2 (mm) |
7,6 |
|
Radius R (mm) |
1 |
|
Eckenradius R (mm) |
1 |
|
Funktionale Länge l4 (mm) |
31 |
|
Gesamtlänge l1 (mm) |
67 |
|
Schneidenlänge Lc (mm) |
7 |
|
Schneidendurchmesser Dc (mm) |
8 |
|
Schaftdurchmesser d1 (mm) |
8 |
|
Nutzbare Länge l3 (mm) |
19 |
|
Körperdurchmesser d2 (mm) |
7,6 |
|
Nutzlänge l3 (mm) |
19 |

