Spezifikationen
|
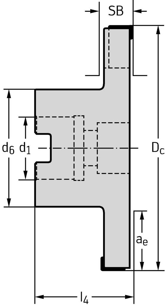
Schnittdurchmesser Dc (mm) |
200 |
|
Maximale Schnitttiefe ae max (mm) |
50 |
|
Maximale Schnitttiefe ae (mm) |
50 |
|
Mögliche Wendeschneidplatten – stirnseitig Type |
MP .. 120408 |
|
Mögliche Wendeschneidplatten – umfangseitig Type |
MP .. 120408 |
|
Anzahl Wendeschneidplatten – umfangseitig Anz WSP (EA) |
6 |
|
Anzahl Wendeschneidplatten – stirnseitig Anz WSP (EA) |
6 |
|
Maximale Drehzahl RPMX (r/min) |
4200 |
|
Masse (Gewicht) (kg) |
6,2 |
|
Schneidendurchmesser D c (mm) |
200 |
|
Maximale Auskraglänge l 4 (mm) |
50 |
|
Zähnezahl Z |
6 |
|
Anzahl Wendeschneidplatten Anz WSP |
12 |
|
Aufnahmedurchmesser d 1 (mm) |
40 |
|
Nabendurchmesser d 6 (mm) |
90 |
|
Minimale Fräsbreite SB min (mm) |
22 |
|
Maximale Fräsbreite SB max (mm) |
23,5 |
|
Maximale Schnitttiefe a e (mm) |
50 |
|
Verbindungsdurchmesser d1 (mm) |
40 |
|
Mögliche Wendeschneidplatten Type |
MP .. 120408 |
|
Schneidendurchmesser Dc (mm) |
200 |
|
Zähnezahl Z (EA) |
6 |
|
Anzahl Wendeschneidplatten Anz WSP (EA) |
6 |
|
Maximale Stechtiefe ae (mm) |
50 |
|
Minimale Fräsbreite SBmin (mm) |
22 |
|
Maximale Fräsbreite SBmax (mm) |
23,5 |
|
Nabendurchmesser d6 (mm) |
90 |

