F2010.UB.152.Z10.06R771M
Spezifikationen
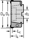
|
Schnittdurchmesser Dc (inch) |
5,646 |
|
Maximale Drehzahl RPMX (r/min) |
4800 |
|
Zähnezahl Z |
10 |
|
Anzahl Wendeschneidplatten Anz WSP |
10 |
|
Gewicht (lbs) |
13,095 |
|
Funktionale Länge l4 (inch) |
2,58 |
|
Mögliche Wendeschneidplatten Type |
RO . X1204M8 |
|
Schneidendurchmesser Dc (inch) |
5,646 |
|
Verbindungsdurchmesser d1 (inch) |
1,5 |
|
Schneidenlänge Lc (inch) |
0,236 |
|
Maximaler Schnittdurchmesser Da (inch) |
6,118 |

