Spezifikationen
|
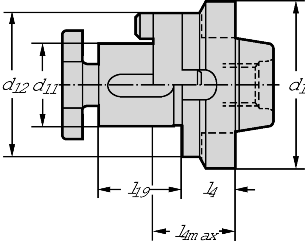
Funktionale Länge l4 max (mm) |
55 |
|
Maximale Drehzahl RPMX (r/min) |
30000 |
|
Verbindungsgrößencode d 1 |
NCT 80 |
|
Funktionale Länge l 4 (mm) |
39 |
|
Masse (Gewicht) (kg) |
5,18 |
|
Verbindungsdurchmesser d 11 (mm) |
60 |
|
Körperdurchmesser d 12 (mm) |
110 |
|
Schaftlänge l 19 (mm) |
66 |
|
Gewicht (kg) |
5,18 |
|
Funktionale Länge l 4max (mm) |
55 |
|
Funktionale Länge l4 (mm) |
39 |
|
Verbindungsgrößen-Code d1 |
NCT 80 |
|
Verbindungsgrößen-Code d11 |
60 |
|
Körperdurchmesser d12 (mm) |
110 |
|
Schaftlänge l19 (mm) |
66 |
|
Funktionale Länge l4max (mm) |
55 |

